TOPES
회사소개
회사개요
사업분야
조직도
채용안내
오시는길
솔루션
교통단속시스템
교통정보시스템
CCTV시스템
영상콘텐츠
고객지원
홍보동영상
문의 및 답변
자료실
ENGLISH
SITEMAP
CONTACT US
교통단속시스템
속도위반 교통단속 시스템
신호위반 교통단속 시스템
구간 교통단속 시스템
불법 주·정차단속 시스템
이동식 교통단속 시스템
교통정보시스템
교통정보 수집장치
영상식 교통정보 수집장치
교통관제용 시스템
Ai 영상식 차량세부제원 추출시스템
도로노면 상태 스마트 관리시스템
저속차량 후방추돌 알림시스템
CCTV시스템
지능형 방범 시스템
도로 방범 시스템
보호구역 안전개선 지능형 CCTV 시스템
I-TV
CCTV 액세사리
영상콘텐츠
영상 및 음악서버
솔루션
액세사리
모델명
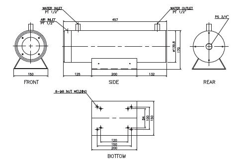
Camera Housing(TP-970W)
TP-970W는 고온 또는 방사열로부터 카메라를 보호하도록 설계된 WATER COOLING 타입의 카메라 하우징이다
Stainless Steel로 제작되었으며 내부 고정대에 카메라가 내장
하우징 밑면에는 Pan/Tilt 및 Bracket의 고정이 용이하도록 3개의 Tap이 나 있다
COOLING WATER
- 온도 : 35℃ 또는 그 이하
- 유입률 : 5ℓ/min 또는 그 이상
- 압력 : 1.5Kg/㎠
DUSTPROOF PURGING AIR
- 유입률 : 5ℓ/min 또는 그 이상
- 압력 : 1 ~ 3Kg/㎠ ((Air 압력은 3Kg/㎠ 이하여야하고 Regulartor Bulb가 사용되어야 함)
적용 카메라 : CCD CAMERA 시리즈
재질 : 스테인레스
사용온도 : 70℃ 이하(히터 사용시 -3℃까지 가능)
크기 : 457(L) X 150(W) X 170(H)mm
중량 : 약 23Kg